nr 243
| 1a vondstnr | Nym91-Ei 28 |
| 1b vondstcontext | |
| 2 objecttype | iw-sch-1 (voorheen iw-bor-4) |
| 3 objectdatering | 1750 - 1800 |
| 4a afmetingen | 17.0 / 14.0 / 1.0 |
| 4b vorm | ovale schaal met naar buiten geknikte platte vlag, standvlak |
| 5a baksel | industrieel wit , creamware |
| 5b afwerking (kleur/glazuur) | loodglazuur |
| 5c decoratie | |
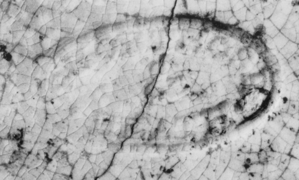
| 5d diversen | ovaal blindstempel: SHORTHOSE & HEATH |
| 6a bodem | standvlak |
| 6b oor/steel | |
| 6c compleetheidtype | vrijwel compleet |
| 7 gebruiksfunctie | schaal |
| 8 productielocatie(s) | Engeland, Hanley/Shelton |
| 9 literatuurverwijzingen |
Towner, 1978, Towner 1978, p. 80 |
| cat | 243 |
| 1a | Nym91-Ei 28 |
| 1b | |
| 2 | iw-sch-1 (voorheen iw-bor-4) |
| 3 | 1750 - 1800 |
| 4a | 17.0 / 14.0 / 1.0 |
| 4b | ovale schaal met naar buiten geknikte platte vlag, standvlak |
| 5a | industrieel wit, creamware |
| 5b | loodglazuur |
| 5c | |
| 5d | ovaal blindstempel: SHORTHOSE & HEATH |
| 6a | standvlak |
| 6b | |
| 6c | vrijwel compleet |
| 7 | schaal |
| 8 | Engeland, Hanley/Shelton |
| 9 | Towner, 1978, Towner 1978, p. 80 |
meldingen over dit object
Tip hieronder de redactie als u iets ziet dat verbeterd moet worden. U kunt meerdere meldingen doorgeven. Uw opmerkingen worden zeer gewaardeerd: samen maken we het Deventer Systeem beter!